晶振中心
進口晶振
- SMI晶振
- KDS晶振
- 精工晶振
- 西鐵城晶振
- 愛普生晶振
- 村田晶振
- 日本NDK晶體
- 京瓷晶振
- 臺灣TXC晶振
- 泰藝晶振
- 亞陶晶振
- 希華晶體
- 臺灣津綻晶體
- 美國CTS石英晶振
- 加高晶體
- 大河晶振
- 鴻星晶振
- 富士石英晶體
- AKER晶振
- Lihom晶振
- NAKA晶振
- NKG晶振
- NJR晶振
- Sunny晶振
石英晶體諧振器
歐美晶振
- Abracon晶振
- ECS晶振
- Golledge晶振
- ILSI晶振
- FOX晶振
- fujicom晶振
- AEK晶振
- CRYSTEK晶振
- interquip晶振
- Geyer晶振
- quartzcom晶振
- qantek晶振
- EUROQUARTZ晶振
- quarztechnik晶振
- Cardinal晶振
- FRE-TECH晶振
- KVG晶振
- wi2wi晶振
- AEL晶振
- Transko晶振
- suntsu晶振
- mmdcomp晶振
- MERCURY晶振
- MTRONPTI晶振
- RALTRON晶振
- Microcrystal晶振
- SITIME晶振
- IDT晶振
- Pletronics晶振
- STATEK晶振
- Rakon晶振
- ConnorWinfield晶振
- JAUCH晶振
- VECTRON晶振
- Greenray晶振
- ECLIPTEK晶振
- ACT晶振
- MTI-milliren晶振
- Rubyquartz晶振
- Oscilent晶振
- SHINSUNG晶振
- ITTI晶振
- PDI晶振
- IQD晶振
- Microchip晶振
- Silicon晶振
- Fortiming晶振
- CORE晶振
- NIPPON晶振
- NICKC晶振
- QVS晶振
- Bomar晶振
- Bliley晶振
- GED晶振
- FILTRONETICS晶振
- STD晶振
- Q-Tech晶振
- Anderson晶振
- Wenzel晶振
- NEL晶振
- EM晶振
- PETERMANN晶振
- FCD-Tech晶振
- HEC晶振
- FMI晶振
- Macrobizes晶振
- AXTAL晶振
- ARGO晶振
- Skyworks晶振
- Renesas瑞薩晶振
數碼產品
智能家電
時計產品
車載產品
石英晶體振蕩器
.jpg)
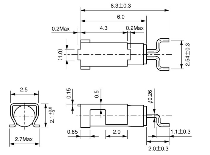
家電產品無源晶振,CMJ206T石英晶體,西鐵城彎角晶振,可靠的金屬外殼和優秀的環境特征,等適合各種應用程序,通訊設備、AV設備等,高精度和高頻率的穩定性能,非常好的減少電磁干擾的影響,是民用無線數碼產品最好的選擇,符合RoHS/無鉛.

日本的西鐵城品牌(CITIZEN) 公司早期為日本尚工舍時計研究所,創立于1918年主要從事鐘表開發和制造,堅信智慧和感性相融合的技術可以造福于人類,1959年成立了御代田精密株式會社并且成功研制防震手表進行了空中墜表實驗,此舉轟動了世界,西鐵城憑借自身精密加工到目前為止手表業已被列入世界名表前十名.西鐵城的不斷創新和持續發展方針使得品牌口碑在市場占據優勢,1975年他們研發出了時計用音叉水晶振動子片開始生產,一個生產型企業核心重點在說質量西鐵城之所取得如此成就莫過于不斷的創新思維和積極進取的精神,這些年來不只是手表被人民所看好,電子元器件石英晶振也突飛猛進,帝國科技能被西鐵城邀請成為國內一級代理商是莫大的榮幸.





西鐵城晶體科技本于‘善盡企業責任、降低環境沖擊、提升員工健康’的理念,執行各項環境及職業安全衛生管理工作;落實公司環安衛政策要求使環境暨安全衛生管理成效日益顯著,不僅符合國內環保、勞安法令要求,同時也能達到國際環保、安全衛生標準.
2000年通過ISO14001環境管理系統驗證,秉持“污染預防、持續改善”之原則,公司事業廢棄物產出量逐年降低,可回收、再利用之廢棄物比例逐年提高,各項排放檢測數據符合政府法規要求.并由原材料管控禁用或限用環境危害物質與國際大廠對于綠色生產及綠色產品的要求相符,于2004年通過SONY 綠色伙伴(Green Partner)驗證.
勞工職業安全衛生議題近年成為世界各國及企業關注焦點,如何做到‘降低職業災害發生、確保工作場所安全、實施員工健康管理’一直是西鐵城晶體努力的方向,公司于2008年12月通過OHSAS18001職業安全衛生管理系統驗證,提供勞工符合系統要求的安全衛生工作環境.

在AT切割角度的石英晶體共振子主要是以厚度剪切振蕩模態存在. 石英晶體在共振時, 除了基本波振蕩之外, 高階的倍頻共振也與基本波振蕩同時存在于石英晶體的電極區域之間. 但是, 由于壓電材料的電極是電氣相位相反的振動環境, 所以, 祇有奇數倍(odd number)的高頻倍頻可以發生, 偶數倍(even number)的倍頻共振在石英晶體共振子是不會存在的(圖).


深圳市康華爾電子有限公司SHENZHEN KONUAER ELECTRONICS CO.,LTD
電 話:0755-27838351
手 機:13823300879
Q Q:632862232
E-mail:konuaer@163.com
網 址:http://m.mingdakt.cn
地 址:深圳市寶安區67區留仙一路甲岸科技園3棟5樓









業務經理