晶振中心
進口晶振
- SMI晶振
- KDS晶振
- 精工晶振
- 西鐵城晶振
- 愛普生晶振
- 村田晶振
- 日本NDK晶體
- 京瓷晶振
- 臺灣TXC晶振
- 泰藝晶振
- 亞陶晶振
- 希華晶體
- 臺灣津綻晶體
- 美國CTS石英晶振
- 加高晶體
- 大河晶振
- 鴻星晶振
- 富士石英晶體
- AKER晶振
- Lihom晶振
- NAKA晶振
- NKG晶振
- NJR晶振
- Sunny晶振
石英晶體諧振器
歐美晶振
- Abracon晶振
- ECS晶振
- Golledge晶振
- ILSI晶振
- FOX晶振
- fujicom晶振
- AEK晶振
- CRYSTEK晶振
- interquip晶振
- Geyer晶振
- quartzcom晶振
- qantek晶振
- EUROQUARTZ晶振
- quarztechnik晶振
- Cardinal晶振
- FRE-TECH晶振
- KVG晶振
- wi2wi晶振
- AEL晶振
- Transko晶振
- suntsu晶振
- mmdcomp晶振
- MERCURY晶振
- MTRONPTI晶振
- RALTRON晶振
- Microcrystal晶振
- SITIME晶振
- IDT晶振
- Pletronics晶振
- STATEK晶振
- Rakon晶振
- ConnorWinfield晶振
- JAUCH晶振
- VECTRON晶振
- Greenray晶振
- ECLIPTEK晶振
- ACT晶振
- MTI-milliren晶振
- Rubyquartz晶振
- Oscilent晶振
- SHINSUNG晶振
- ITTI晶振
- PDI晶振
- IQD晶振
- Microchip晶振
- Silicon晶振
- Fortiming晶振
- CORE晶振
- NIPPON晶振
- NICKC晶振
- QVS晶振
- Bomar晶振
- Bliley晶振
- GED晶振
- FILTRONETICS晶振
- STD晶振
- Q-Tech晶振
- Anderson晶振
- Wenzel晶振
- NEL晶振
- EM晶振
- PETERMANN晶振
- FCD-Tech晶振
- HEC晶振
- FMI晶振
- Macrobizes晶振
- AXTAL晶振
- ARGO晶振
- Skyworks晶振
- Renesas瑞薩晶振
數碼產品
智能家電
時計產品
車載產品
石英晶體振蕩器

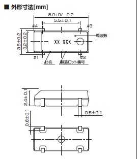
DMX-26S貼片晶振,進口32.768K晶振,石英晶體諧振器,“1TJS060FJ4A901Q”頻率范圍32.768KHz,小型SMD封裝8.0*3.8*2.4mm,耐沖擊性,耐振動性,主要用于移動無線通信器和小型無線通訊設備中.在實際操作中機器運動方式設計、滾筒的曲率半徑、滾筒的長短、使用的研磨砂的型號、多少、填充物種類及多少等各項設計必須合理.KDS晶振,DMX-26S貼片晶振,進口32.768K晶振

“1TJS060FJ4A901Q”大真空對企業社會責任的承諾
可靠的人獨立、自助和獨立的努力作為行動的基本原則,我們將充分利用我們的優勢為社會作為一個整體和方法一切真誠和熱情.
可靠的產品我們將幫助實現一個富裕的社會,通過優化我們的能力開發最好的產品和服務,通過提供他們所有我們的客戶在世界各地.
可靠的公司,我們努力實現我們的企業社會責任產生持續的利潤通過企業活動,遵守所有的法律、法規,尊重他們的精神和注重和諧與全球環境.
.jpg)





PCB設計指導
(1) 理想情況下,機械蜂鳴器應安裝在一個獨立于晶體器件的PCB板上.“1TJS060FJ4A901Q”如果您安裝在同一個PCB板上,最好使用余量或切割PCB.當應用于PCB板本身或PCB板體內部時,機械振動程度有所不同.建議遵照內部板體特性.
(2) 在設計時請參考相應的推薦封裝.
(3) 在使用焊料助焊劑時,按JIS標準(JIS C 60068-2-20/IEC 60,068-2-20).來使用.
(4) 請按JIS標準(JIS Z 3282, Pb 含量 1000ppm, 0.1wt% 或更少)來使用無鉛焊料.
自動安裝時的沖擊
自動安裝和真空化引發的沖擊會破壞產品特性并影響這些產品.請設置安裝條件以盡可能將沖擊降至最低,并確保在安裝前未對產品特性產生影響.條件改變時,請重新檢查安裝條件.同時,在安裝前后,請確保晶體產品未撞擊機器或其他電路板等.

大真空集團進行內部環境審計每年一次檢查它的狀態管理系統.內部環境審計的結果報告給管理,討論改進的有效性和領域,導致了環境管理體系的持續改進.
確保內部審計進行得當,大真空集團內部環境審計人員的選擇和培訓人才.
KDS集團獲得了ISO 14001認證,國際環境管理標準.
我們所有的國內辦公室/工廠在2000年收購的認證,促進綜合管理系統的實現為整個Daishinku組.
我們將繼續為環境保護工作通過實施符合ISO 14001環境管理系統.
天津KDS 和PT. KDS印尼公司建立我們的海外生產基地,也獲得了ISO 14001認證和致力于環境保護與國內合作辦公室.

深圳市康華爾電子有限公司SHENZHEN KONUAER ELECTRONICS CO.,LTD
電 話:0755-27838351
手 機:13823300879
Q Q:632862232
E-mail:konuaer@163.com
網 址:http://m.mingdakt.cn
地 址:深圳市寶安區67區留仙一路甲岸科技園3棟5樓










業務經理